Minimise noise distractions and potential injuries with the use of National Filters range of Mufflers and Silencers. Our team offers a comprehensive range of solutions to address excessive noise in various applications, without impeding equipment performance. By selecting the appropriate muffler or silencer, the risk of injury or distraction from air exhaust can be significantly reduced.
more »Tag: compressed air
Essential Steps for Compressed Air Systems: Heat Removal and Moisture Reduction
Although changing a filter element is a relatively simple task that most individuals can handle, if not done correctly, it can result in various issues that render the filters ineffective.
more »When Should An Air Filter Be Replaced?
In the industrial sector, compressed air powers numerous processes across various industries. Maintaining high-quality compressed air is crucial because it directly affects operational efficiency, product quality, and the longevity of equipment.
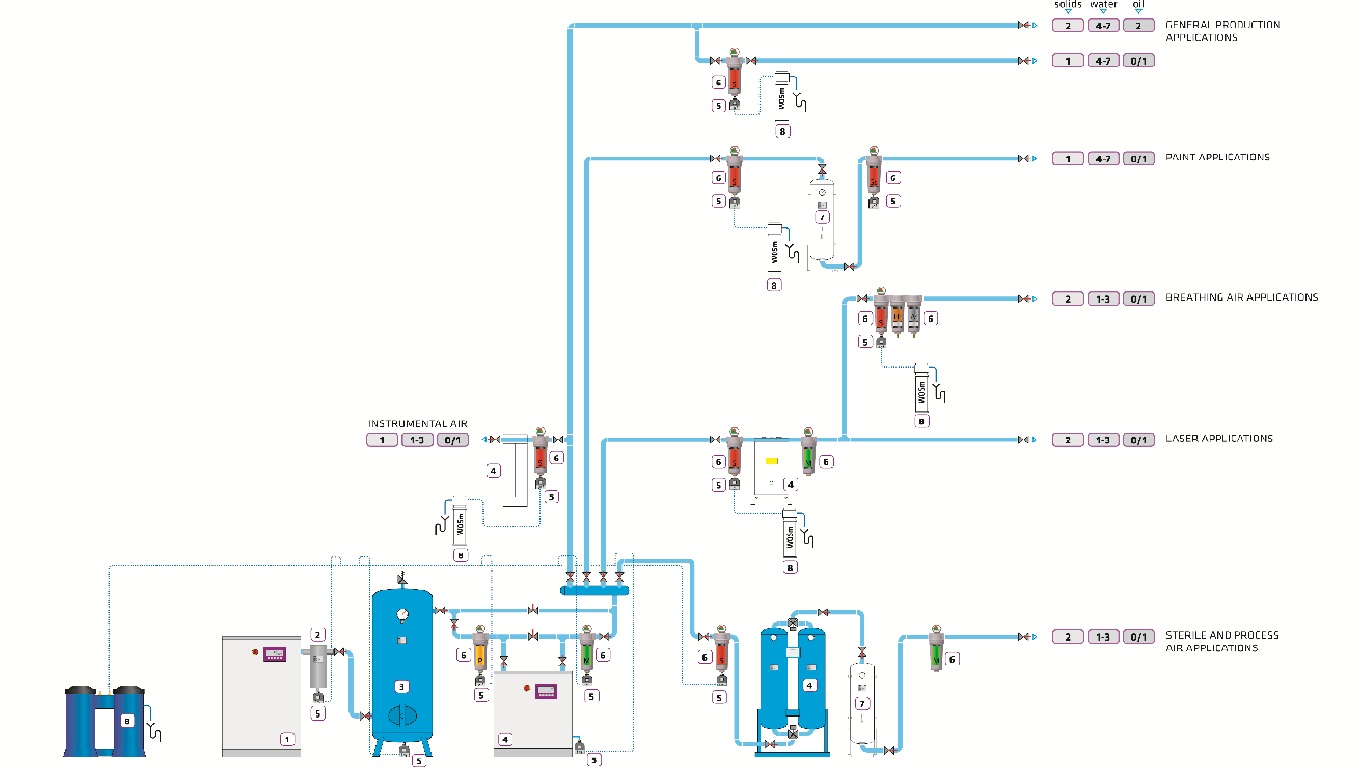
more »Deciphering Compressed Air Filtration and Grasping Its Functionality
In this article, we will explore how filters and their components contribute to producing clean compressed air.
more »The Hidden Costs of Poor Filtration: Why Efficiency Matters
Recognise how insufficient filtration affects various industries and explore methods to enhance performance while prioritising environmental stewardship.
more »Filter Maintenance: Going Beyond the Basics
A Strategic Perspective on Compressed Air Filter Maintenance
more »Ways to Save Energy in Compressed Air Systems: 5 Useful Approaches
Optimising your compressed air system represents one of the most effective strategies for minimising energy waste, reducing operational costs, and enhancing sustainability.
more »Cyclonic Water Separators
National Filters offers CKL-B condensate separators that are crafted to effectively eliminate bulk liquids from compressed air and vacuum systems.
more »Air Exhaust Mufflers
Reduce noise distractions and prevent injuries with National Filters’ Mufflers and Silencers, offering solutions to minimize excessive noise in different applications without affecting equipment performance. Choosing the right muffler or silencer can greatly reduce the risk of injury or distraction from air exhaust.
more »Can Anyone Change A Filter Element?
Although changing a filter element is a relatively simple task that most individuals can handle, if not done correctly, it can result in various issues that render the filters ineffective.
more »